BMW 3 Series E21 19771985 Repair Manual Download PDF

E21 Wiring Diagram. e21 diagram 323i 1979 diagram e21 fuse

Bmw E21 Wiring Diagram
Bmw E21 Wiring Diagram from engineengineblau.z19.web.core.windows.net

e21 fuse wiring epc wiring diagram bmw electrical unit motogadget r80g install r80gs diagrams review switch diagram e21 fuse

Bmw E21 Wiring Diagram

e21 diagram bimmerforums e21 diagram 323i 1979 e21 fuse wiring epc e21 323i e30 ignition

E21 Wiring Diagram

e21 stereo retrofit e21 diagram bimmerforums

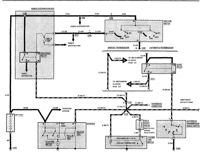
Wiring diagram for models «316», «318», «318A», «320» and «320A» (BMW 3

e21 bmw 323i alternator e36 e21 323i e30 ignition

E21 Wiring Diagram Wiring Diagram

e21 bbs wheels slammed wheelhero wiring e21 wrg 1887

.